拉力機常見測試之拉伸試驗詳解
來源:天氏庫力 發布日期
2018-11-22 瀏覽:
材料的性能有兩種,使用性能-材料在使用過程中所表現的性能,工藝性能-在制造機械零件的過程中,材料適應各種冷、熱加工和熱處理的性能。材料的力學性能指材料在外力作用下表現出來的性能,主要有強度、塑性、硬度、沖擊韌度和疲勞強度等。

材料拉伸試驗機
拉伸試驗幾個常見概念
強度:指金屬在靜載荷下抵抗變形和斷裂的能力。是一般零件設計、選材時的重要依據。
硬度:它是衡量材料軟硬的一個指標,是金屬表面抵抗塑性變形和破壞的能力。檢查和控制金屬零件的熱處理質量。
塑性:指金屬發生塑性變形而不被破壞的能力。
靜載荷:逐漸而緩慢地作用在工作上的力,如機床床身的壓力、鋼索的拉力。
動載荷:包括沖擊及交變載荷,如空氣錘桿所受的沖擊力、齒輪、彈簧。
拉伸試驗介紹:
拉伸試驗是一種最廣泛使用的測定材料力學性能的方法,它在室溫、普通大氣壓條件下、對光滑試樣緩慢施加單向拉力,測定試樣對外加負荷的抗力,以及試樣在破斷后,其塑性變形的大小,由此求出材料的強度指標和塑性指標。
靜拉伸試驗的特點是試驗時的溫度、應力狀態和加載速率是確定的,通過靜拉伸試驗可以揭示塑性材料在靜載荷作用下,常見的三種失效形式,即過量彈性變形、塑性變形和斷裂。
強度指標:彈性極限、屈服強度、抗拉強度
塑性指標:斷后伸長率、端面收縮率等
拉伸試樣
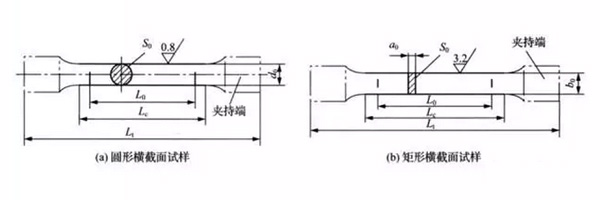
拉伸試樣通常從產品或毛坯中切取并經機加工制成,但具有恒定橫截面的型、棒、線材和鑄造試樣可以不經機加工而進行試驗。
拉伸試樣的形狀與尺寸取決于被試驗材料的形狀與尺寸,拉伸試樣的橫截面形狀有圓形、矩形、多邊形及環形等,其中最常用的是圓形和矩形試樣,參見下圖(圖中的頭部形狀為示意圖)。
拉伸試驗常用術語
拉伸試驗兩種基本變形
拉伸試驗的工程意義
工程材料受力后都會發生變形,包括:彈性變形、塑性變形、斷裂三個基本階段。
彈性:固體材料在外力作用下改變其形狀和大小,但當力撤去后即恢復到原來狀態的性質
塑性:固體材料受到超過一定特定值的外力作用時,其形狀與大小會發生永久性變化的特性。
斷裂:固體材料受外力作用變形的最終結果,也就是固體材料受力變形生產裂紋和裂紋擴展到一定的臨界值后即生產斷裂。
拉伸試驗示意圖:
材料拉伸曲線:
推薦閱讀
【本文標簽】:拉伸試驗,材料拉伸試驗詳解
【責任編輯】:天氏庫力 版權所有:http://www.llldw.cn/轉載請注明出處